

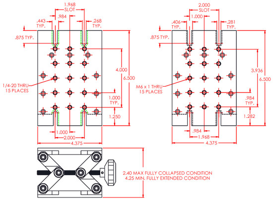
MX5T Series Platform
The MX5T's adjustable wedge design facilitates fixed angle setups. The 5.0-inch x 5.0-inch platform's top plate is fixed in place by two adjustable linking arms. They are secured by four 1/4-20 hex...
$402.00 - $550.00